![[普羅名特計量泵]prominent隔膜計量泵,CONCEPT PLUS電磁隔膜計量泵 [普羅名特計量泵]CONCEPT PLUS電磁隔膜計量泵](/system/upload/image/item/20180813/201808131206447444.jpg)

型號 | 流量(L/H) | 壓力(bar) | 泵頭材質 | 控制方式 | 頻率 | 接口 |
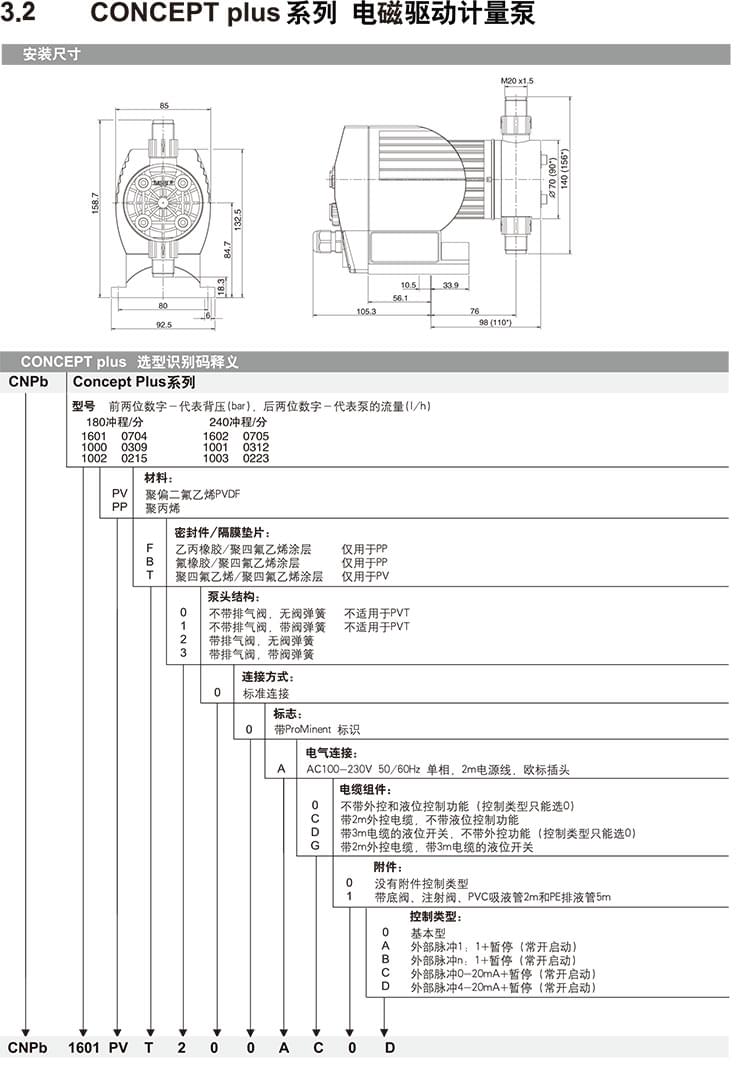
CNPB1000PVT200A010 | 0.74 | 10 | PVDF | 手動 | 180 | 6*4 |
CNPB1000PVT200AC1D | 0.74 | 10 | PVDF | 4-20MA | 180 | 6*4 |
CNPB1000PVT200AC1B | 0.74 | 10 | PVDF | 脈沖信號 | 180 | 6*4 |
CNPB1601PVT200A010 | 1.1 | 16 | PVDF | 手動 | 180 | 6*4 |
CNPB1601PVT200AC1D | 1.1 | 16 | PVDF | 4-20MA | 180 | 6*4 |
CNPB1601PVT200AC1B | 1.1 | 16 | PVDF | 脈沖信號 | 180 | 6*4 |
CNPB1002PVT200A010 | 2.1 | 10 | PVDF | 手動 | 180 | 6*4 |
CNPB1002PVT200AC1D | 2.1 | 10 | PVDF | 4-20MA | 180 | 6*4 |
CNPB1002PVT200AC1B | 2.1 | 10 | PVDF | 脈沖信號 | 180 | 6*4 |
CNPB0704PVT200A010 | 3.9 | 7 | PVDF | 手動 | 180 | 6*4 |
CNPB0704PVT200AC1D | 3.9 | 7 | PVDF | 4-20MA | 180 | 6*4 |
CNPB0704PVT200AC1B | 3.9 | 7 | PVDF | 脈沖信號 | 180 | 6*4 |
CNPB0309PVT200A010 | 9 | 3 | PVDF | 手動 | 180 | 8*5 |
CNPB0309PVT200AC1D | 9 | 3 | PVDF | 4-20MA | 180 | 8*5 |
CNPB0309PVT200AC1B | 9 | 3 | PVDF | 脈沖信號 | 180 | 8*5 |
CNPB0215PVT200A010 | 16.4 | 1.5 | PVDF | 手動 | 180 | 8*5 |
CNPB0215PVT200AC1D | 16.4 | 1.5 | PVDF | 4-20MA | 180 | 8*5 |
CNPB0215PVT200AC1B | 16.4 | 1.5 | PVDF | 脈沖信號 | 180 | 8*5 |
CNPB1001PVT200A010 | 1 | 10 | PVDF | 手動 | 240 | 6*4 |
CNPB1001PVT200AC1D | 1 | 10 | PVDF | 4-20MA | 240 | 6*4 |
CNPB1001PVT200AC1B | 1 | 10 | PVDF | 脈沖信號 | 240 | 6*4 |
CNPB1602PVT200A010 | 1.5 | 16 | PVDF | 手動 | 240 | 6*4 |
CNPB1602PVT200AC1D | 1.5 | 16 | PVDF | 4-20MA | 240 | 6*4 |
CNPB1602PVT200AC1B | 1.5 | 16 | PVDF | 脈沖信號 | 240 | 6*4 |
CNPB1003PVT200A010 | 3 | 10 | PVDF | 手動 | 240 | 6*4 |
CNPB1003PVT200AC1D | 3 | 10 | PVDF | 4-20MA | 240 | 6*4 |
CNPB1003PVT200AC1B | 3 | 10 | PVDF | 脈沖信號 | 240 | 6*4 |
CNPB0705PVT200A010 | 5.2 | 7 | PVDF | 手動 | 240 | 6*4 |
CNPB0705PVT200AC1D | 5.2 | 7 | PVDF | 4-20MA | 240 | 6*4 |
CNPB0705PVT200AC1B | 5.2 | 7 | PVDF | 脈沖信號 | 240 | 6*4 |
CNPB0312PVT200A010 | 12 | 3 | PVDF | 手動 | 240 | 8*5 |
CNPB0312PVT200AC1D | 12 | 3 | PVDF | 4-20MA | 240 | 8*5 |
CNPB0312PVT200AC1B | 12 | 3 | PVDF | 脈沖信號 | 240 | 8*5 |
CNPB0223PVT200A010 | 21.9 | 1.5 | PVDF | 手動 | 240 | 8*5 |
CNPB0223PVT200AC1D | 21.9 | 1.5 | PVDF | 4-20MA | 240 | 8*5 |
CNPB0223PVT200AC1B | 21.9 | 1.5 | PVDF | 脈沖信號 | 240 | 8*5 |
以上泵均為PVDF吧頭材質且包含PVDF底閥、PVDF注射閥、2米PVC吸入管和5米PE排出管
【普羅名特計量泵】CONCEPT PLUS電磁隔膜計量泵
CONCEPTPLUS 物美價廉 —— 德國品質與中國情懷的優良結合!
流量范圍:0.74-21.9 l/h
壓力范圍:16-1.5 bar
普羅名特 CONCEPTPLUS 系列電磁隔膜計量泵是適用于水處理與化學過程流體介質計量添加的多用途精密計量泵。PVT 材質與精簡型號的組合,滿足計量添加應用且方便維護與管理。無磨損的電磁驅動結構,即便一直在Z大負載下運行,也可確保長的使用壽命。
【普羅名特計量泵】CONCEPT PLUS電磁隔膜計量泵特點:
■ 德國部件國內組裝,符合中國消費水平的精密計量泵產品
■ PVT 材質防腐性,適合所有化學藥劑應用
■ 結構緊湊精巧,既適于傳統托盤或藥桶安裝、又適合各類設備集成安裝
■ 單一材質與精簡型號組合,減少選型、降低庫存需要量、方便維護管理
■ 流量范圍通過沖程長度(手動)與沖程頻率(手動或自動)輕松調節
■ 無源觸點遠程起、停控制
■ 脈沖或模擬信號外部控制選項滿足自動化流量調節應用
■ 無磨損的電磁驅動:成本效益高、過載無憂
■ 工作、運行經濟、節能率高
■ 運行狀態盡在眼前掌控: LED 燈指示運行與故障信息
■ 單級液位開關信號輸入接口,及時通報液位情況、防止泵空轉運行
■ 標配手動排氣閥解決易氣化介質應用問題
■ 可選閥彈簧解決較高粘稠介質應用問題
■ 可選多種計量泵配套附件保障計量精密、系統運行安全
■ 可選超聲波流量計對電磁計量泵添加介質的脈動、低流量做實際測量、顯示、及輸出

【普羅名特計量泵】CONCEPT PLUS電磁隔膜計量泵技術信息
■ 精密計量重復精度 +/-2%
■ 單一材質組合,泵頭材質 PVDF、密封材質 PTFE
■ 180 次沖程 / 分鐘與 240/ 沖程每分鐘兩種頻率范圍選擇
■ 沖程長度手動旋鈕連續調整范圍 0-100% ( 推薦范圍 30-100%)
■ 沖程頻率手動旋鈕可在 10%,25%,50%,100% 四個檔次件切換選擇
■ 可選觸點外控功能脈沖信號與沖程頻率比例可根據實際應用預定
■ 可選模擬信號外控功能 0/4-20mA 對應 0-180/240 次沖程頻率控制
■ 標配應用介質粘度 200mpas、可選閥彈簧滿足介質粘度 500mpas
■ 標配寬幅電源供電 :100-230V, 50/60 HZ
■ 可選單級液位開關信號輸入接口,低液位故障顯示并停泵
■ 可選多功能閥、背壓閥、安全閥、阻尼器、底閥、注射閥、加藥管線、液位開關、流量監視開關等多種功能計量加藥系統附件
■ 可選超聲波流量計對電磁隔膜計量泵添加流體介質的脈動、低流量做實際測量,顯示瞬時流量、累計流量、累計沖程次數、單次沖 程流量等,可以 4-20mA 模擬信號或脈沖信號形式輸出瞬時流量,可以觸點信號形式對每次合格沖程輸出反饋,測量范圍 0.1-80l/ h,可測量單次沖程小流量 0.03ml

